Home
Produkte
Das Unternehmen
Ansprechpartner
Partner
Vertreter
Kontakt
Produkte
>
Feststellelemente
>
Türklemmen
>
Kugelschnäpper - Serie 2540
Kugelschnäpper - Serie 2540
254003.1
Oberfläche: Messing roh
Fragen zum Produkt?
Technische Zeichnungen
254003.1.jpg
Produktvarianten
Artikel Nr.
Oberfläche
Artikelbezeichnung
Gewicht
VE
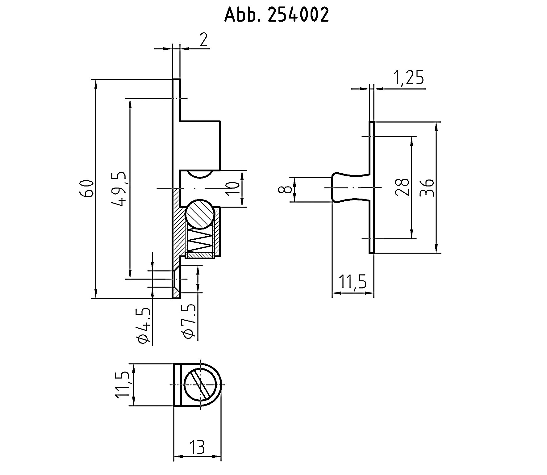
254002.1
Ms roh
Kugelschnäpper 60x10 mm
0,041
Stck
254003.1
Ms roh
Kugelschnäpper 50x9 mm
0,023
Stck
254004.1
Ms roh
Kugelschnäpper 44x8 mm
0,016
Stck
Diese Website verwendet Cookies.
(Details anzeigen)
Wenn Sie nicht einverstanden sind, werden keine Cookies verwendet und die Website funktioniert nicht einwandfrei.
Ich stimme zu
Ich stimme nicht zu